Metalux WNLED 4-ft 37.7W LED Wraparound, 5000 Lumens, 0-10V Dim, 120-277V
Estimated Shipping Widget will be displayed here!
OVERVIEW
The WNLED series is a versatile utility based, classic LED wraparound series which can be used in a broad range of commercial, schools, institutional, retail and residential applications. This high quality luminaire series utilizes the latest solid state LED lighting and advanced electronic driver technology which provides optimal lighting performance and maximizing energy savings. WNLED is designed to provide long service life eliminating re-lamping issues and minimizing maintenance common with traditional fluorescent.
Features
- Length: 4-ft
- Lens: Frost Acrylic
- Wattage: 37.7W
- Voltage: 120-277V
- Color Temperature: 3500K, 4000K
- Lumens: 5000
- CRI: 80
- Driver Type: 0-10V Dimming Driver (10%-100% Dimming)
- Number of Drivers: 1
- Frost lens offers best-in-class uniform illumination
- Ideal for single or continuous row applications
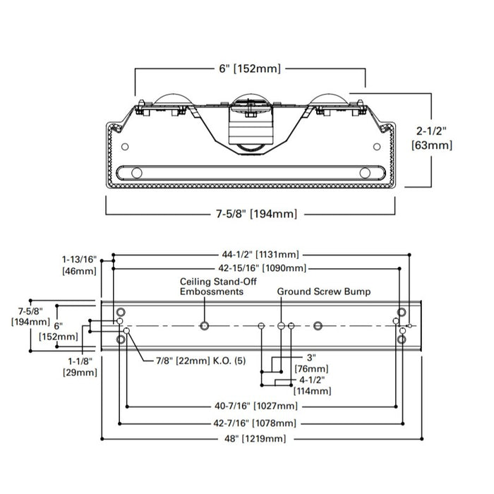
Dimensions
- Length: 48"
- Width: 23.75"
- Height: 3.25"
- Weight: 12.5 lbs
Estimated Life
- Projected life at 70% lumen maintenance is nearly 238,000 hours with TM21 rating up to L91 > 60,000 hours
Documents
Labels and Listings
- Indoor luminaires are cULus damp location listed
- RoHS compliant
- DesignLights Consortium Qualified and classified for DLC Standard
- Can be used for State of California Title 24 high efficacy luminaire





