Halo CJB4R 4" LED 2-in-1 Installation Integrated JBox Downlight, CCT S Skip to content
FREE Shipping on orders over $1000*
FREE Shipping on orders over $1000
by Halo

Halo CJB4R 4" LED 2-in-1 Installation Integrated JBox Downlight, CCT Selectable

SKU CJB4069FS1EMWR
Original price $0.00 - Original price $0.00
Original price
$27.98
$27.98 - $307.43
Current price $27.98
Availability:
In stock
Availability:
In stock
Availability:
In stock
Pack Size: 1-Piece

Estimated Shipping Widget will be displayed here!

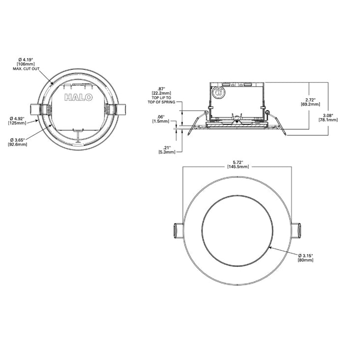
OVERVIEW

A slim 2-in-1 installation LED downlight with integral driver and JBox suitable for fast installation directly into a ceiling with no housing needed, or retrofit as an LED Trim into an existing housing.

Features

  • Title 20 & Title 24 compliant, can be shipped to California locations
  • Recessed Size: 4"
  • Finish: Matte White
  • Wattage: 7.7W
  • Voltage: 120V
  • Color Temperature: 2700K / 3000K / 3500K / 4000K / 5000K Selectable
  • Lumens: 600 
  • 120V LE/TE phase cut dimming to 10% with select controls
  • 2-in-1 installation mounting option allows for either canless or LED Trim retrofit in a housing installation

Dimensions

  • Width: 5.72"
  • Height: 2.72"
  • Cutout: 3.5"

Estimated Life

  • Achieves L70 at 35,000 hours in IC and non-IC applications

    Warranty

    • 5-year limited warranty

    Documents

    Accessories:

    Labels:

        

      

    }

    Compare products

    {"one"=>"Select 2 or 3 items to compare", "other"=>"{{ count }} of 3 items selected"}

    Select first item to compare

    Select second item to compare

    Select third item to compare

    Compare